
全系标配Modbus RTU通信协议,并配有ServoTuner上位机软件;
驱动器使用基于ARM Cortex M3/M4/R4F内核处理器,主频最高可达600MHZ,采用FOC矢量控制算法;
伺服支持位置/速度/扭矩三闭环控制,电流环带宽最高可达3.2kHz,速度环带宽高于200HZ;
支持16~70VDC宽范围的供电电压,特别适用于电池供电的移动场合;
伺服系统使用环境温度为-40℃~40℃。
SSZJ1B系列低压伺服驱动器,为闸机行业应用,系列产品功率可支持100W、200W、400W功率段。最大电流峰值40A,支持RS485总线控制模式。
低压伺服驱动器选型

产品特点
(1)全系标配Modbus RTU通信协议,并配有ServoTuner上位机软件;
(2)驱动器使用基于ARM Cortex M3/M4/R4F内核处理器,主频最高可达600MHZ,采用FOC矢量控制算法;
(3)伺服支持位置/速度/扭矩三闭环控制,电流环带宽最高可达3.2kHz,速度环带宽高于200HZ;
(4)支持16~70VDC宽范围的供电电压,特别适用于电池供电的移动场合;
(5)伺服系统使用环境温度为-40℃~40℃。
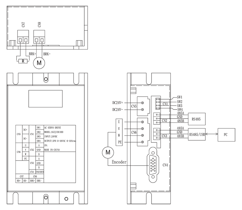
低压伺服驱动器电气接线图:

低压伺服驱动器尺寸图:

注:电机尺寸根据实际使用功率大小,咨询业务索取!