
支持1-3轴;
专利外观结构,轴数灵活搭配;
手控支持调式伺服参数,并可监控伺服运行状态;
支持增量和绝对值电机;
功率覆盖100W-1800W;
总线式架构。
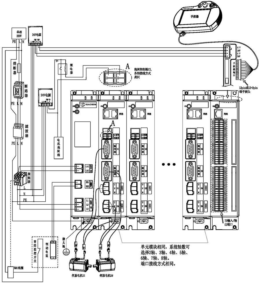
EC系列车床机械手控制系统是15vip太阳集团自研推出的驱控一体化系统,适用机加工桁架机械手的通用运动控制系统,产品支持32+32内置IO,同时支持通过通信方式外扩IO、AD板等。
产品特点
1.支持1-3轴;
2.专利外观结构,轴数灵活搭配;
3.手控支持调式伺服参数,并可监控伺服运行状态;
4.支持增量和绝对值电机;
5.功率覆盖100W-1800W;
6.总线式架构。
整机外观接线说明:

注意:
1)用户需要自行评估IO电源是否超出标配50W,如超出,则需要自行更换大功率电源。
2)接线完成后手控器上出现的报警轻按用户手册“8.4 报警及其解决方法”进行处理。
3)省略号处单元模块相同,系统轴数可选择2轴、3轴、4轴、5轴、6轴、7轴、8轴。端口连接方式相同。
主控尺寸图:

安装方式 | 螺丝规格 | 螺丝长度(max) | 安装扭矩(max) |
螺丝固定 | M5 | 12mm | 7.5kgf.cm |
手控器尺寸图:

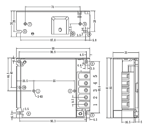
单路开关电源图:

安装方式 | 安装位号 | 螺丝规格 | 螺丝长度(max) | 安装扭矩(max) |
螺丝固定 | ①--② ⑦--⑨ | M3 | 5mm | 6.5kgf.cm |
③--⑥ ⑩--⑫ | M3 | 3mm | 7kgf.cm |
双路开关电源图:

安装方式 | 安装位号 | 螺丝规格 | 螺丝长度(max) | 安装扭矩(max) |
螺丝固定 | ①--② ⑦--⑨ | M3 | 5mm | 6.5kgf.cm |
③--⑥ ⑩--⑫ | M3 | 3mm | 7kgf.cm |
制动电阻尺寸图:

型号 | 25℃-40℃额定功率(W) | 外形尺寸(mm) | 阻值范围 | ||||||
电阻体 | |||||||||
A±1.0 | B±1.0 | C±1.0 | D±1.0 | E±0.5 | F | G±1.0 | 0.1~20K | ||
RXLG | 200 | 165 | 147 | 30 | 60 | 5.6 | 45° | 119 | |
产品安全认证——CE认证报告
